天天操综合网I精品免费视频.I91精品麻豆I激情av网址I日本精品视频一区I91丨九色丨蝌蚪丨对白

Previous Next

提升機雙泵液壓站中液動換向閥的設計(下)

時間:2024-03-29 09:02:40  點擊數:


3.2 新型液動換向閥的設計

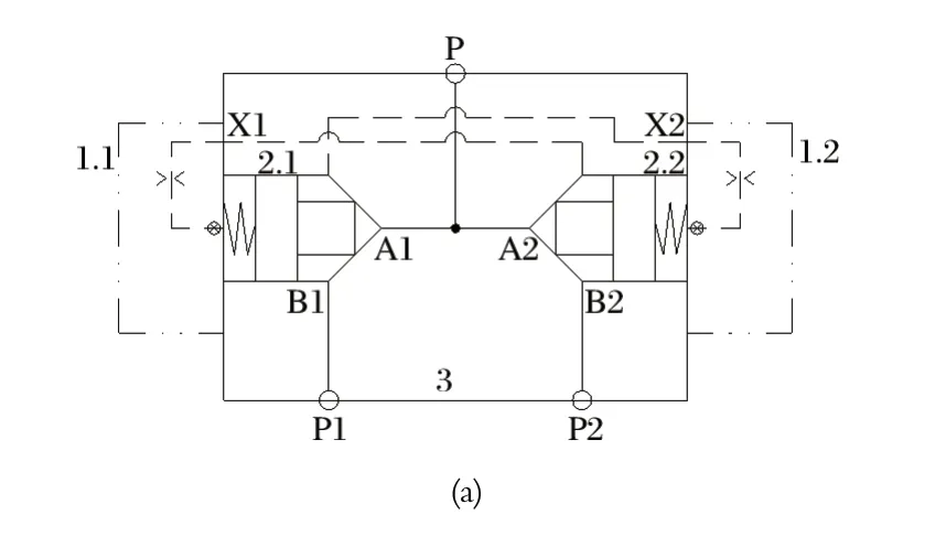
      新型液動換向閥是由兩個二通插裝閥組合而成的選擇回路,具備二位三通方向控制閥功能,以實現兩套泵裝置的切換。中信重工 E6118B/E6119B 型液壓站的液壓閥組如圖5 所示。圖5 中,當 P1 處的泵裝置工作時,插裝組件 2.1 打開,插裝組件 2.2 關閉,由 P1 處的泵裝置向 P 口供油,P2 處的泵裝置可以維修或停用待命;反之,當 P2 處的泵裝置工作時,插裝組件 2.2 打開,插裝組件 2.1 關閉,由 P2 處的泵裝置向 P 口供油,P1 處的泵裝置可以維修或停用待命。
 


 
圖5 新型液動換向閥
1.插裝組件 2.2;2.控制蓋板 1.2;3.控制蓋板 1.1;4.插裝組件 2.1。
 

      在提升機雙泵液壓站中,新型液動換向閥的設計和安裝有以下兩種方式。

      (1) 在閥組油路塊中直接設計標準安裝孔,將插裝組件安裝在標準安裝孔中,再用控制蓋板封嚴。圖5 中,兩個插裝組件的位置和方向可根據液壓閥組的具體情況靈活設計,與板式液動換向閥相比,閥組油路塊的油孔設計簡化了很多。

      (2) 將兩個插裝閥組合設計成一個獨立的液動換向閥,再安裝到閥組油路塊上。如圖6 所示,獨立的液動換向閥包含一個獨立的閥體 3,兩端分別安裝有一個插裝組件 2 和一個控制蓋板 1;閥體內部設計有油孔,用于連接兩端的插裝閥;閥體外側安裝面上設計有兩個進油孔 P1 和 P2,通過管接頭連接兩個泵裝置;閥體內側安裝面上設計有一個出油孔 P,閥組油路塊上只需要設計一個與出油孔 P 配套的供油孔即可;閥體上設計有螺釘安裝孔,用于將液動換向閥安裝在閥組油路塊上。

 
圖6 獨立的液動換向閥
1.控制蓋板;2.插裝組件;3.閥體。
 

      采用獨立的液動換向閥,使閥組油路塊的油孔設計得到了進一步簡化。中信重工 E6161B/E6160B 型液壓站的液壓閥組的應用如圖7 所示。
 
圖7 液壓閥組的應用

4 結語

      與常用板式液動換向閥相比,基于二通插裝閥設計的新型液動換向閥具有安裝方式和安裝位置靈活,閥組油路塊的油孔設計簡單,液動換向閥流動阻力小、通流能力大、動作速度快、抗污染能力強,工作可靠等優點,簡化了設計,保障了雙泵液壓站中兩套泵裝置的可靠切換,提高了制動系統的安全性能,保證了礦井提升系統的安全可靠運行。